- 產品介紹
一、防爆儀表箱特點:
1. 本產品為復合型,開關箱采用隔爆型結構,母線箱及出線箱采用增安型結構。采用模塊結構,各種回路可以自由選擇組合。
2. 內裝高分斷小型斷路器,具有過載及短路保護功能。
3. 本產品推出新型設計方案及操作機構,結構緊湊合理、通用性強、操作靈活方便、手感好。
4. 所有緊固件均采用抗強腐蝕的304不銹鋼緊固件。
5. 鋼管或電纜布線均可。
6. 可根據用戶要求特制。
二、防爆儀表箱適用范圍:
1.1區、2區危險場所。
2.IIA、IIB、IIC類,溫度組別為T1-T4的爆炸性氣體環境。
3.適用于可燃性粉塵20區、21區、22區場所。
4.戶內、戶外(須配備防雨罩)均可。
三、防爆儀表箱主要參數:
防腐等級:WF1
額定電壓(V):220/380
額定電流(A):10-100A
防爆標志 :ExdeIIBT4 ExdeIICT4 DIPA20 TAT4
支路數 :4、6、8、10、12
防護等級:IP55*IP65
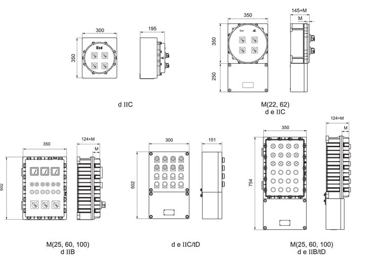
部分產品展示:
南陽盛通防爆電機電器有限公司作為一家專業科研與開發、制造、銷售防爆儀表箱廠家, 防爆產品通過國家防爆電氣產品質量監督檢驗中心認證,如您需要購買防爆儀表箱或者了解防爆儀表箱價格,請來電咨詢 。
其它說明:
●以上產品涉及設計參數及數據請以機身銘牌為準,恕不另行通知
●產品圖片與實物可能會有輕微差別,請以實物為準
●其他詳情請參閱本產品使用手冊
●本公司保留以上宣傳數據的解釋權利
- 上一篇:江蘇BLK52系列防爆斷路器
- 下一篇:江蘇PLC防爆電氣控制柜









